UHZ-115/125 側裝高壓型磁翻板
側裝式高壓型磁翻板液位計,采用高溫磁鋼作為浮子的磁芯,面板采用獨特的散熱方式,使本品可以在420℃的高溫,16MPa的高壓下穩定、可靠的工作。
標簽
- 產品詳情
- 產品調試
- 產品說明書
- 產品選型
液位計產品概述
側裝式高壓型磁翻板液位計,采用高溫磁鋼作為浮子的磁芯,面板采用獨特的散熱方式,使本品可以在420℃的高溫,16MPa的高壓下穩定、可靠的工作。適用于高溫高壓液體容器的液體、界位的測量和控制。
液位計技術指標
測量范圍:300~6000mm,超過6000mm可采用分段制造;
測量精度:±10mm;
工作壓力:-0.1~16.0Mpa;
工作溫度:-40~420℃;
介質密度:≥0.6g/cm3
過程連接:法蘭DN20~DN50(標準號HG20592-20635) 其他標準請在訂貨時注明;
接液材質:304、316L、鈦
液位計參數可選項
接液材質(304、316L 可選)
公稱壓力Mpa
遠傳變送器任選
磁性開關任選
介質密度
溫度
測量范圍
連接法蘭標準
液位計可選配件
磁翻板液位計可以通過翻板的顯示,清楚的顯示容器內的液位高度。同時,通過以下選配 件的組合安裝,實現液位的遠程監視和控制。
指示器:可現場直接、清晰的顯示容器內的液位高度。
塑鋼指示器
鋁合金指示器
不銹鋼指示器
電子雙色指示器 可選
遠傳變送器:可實現液位測量信號的遠距離傳輸。
指示器內置式遠傳
常規不銹鋼遠傳
防爆遠傳
磁致伸縮變送器可選
磁性開關:用于檢測液位的某些限定店,以磁保持開關信號的方式, 提供報警或控制功能。
塑殼磁性開關(帶現場指示)
不銹鋼磁性開關
不銹鋼防爆磁性開關
防爆接線盒式磁性開關 可選
《一》磁翻板使用說明:
1. 開箱檢查儀表的型號與選購的型號是否一致,法蘭尺寸及中心距離是否與現場尺寸一致。
2. 液位計安裝需垂直,以保證磁性浮子在主導管內上下運動自如。
3. 液位計與容器之間應裝有閥門,以便清洗和檢修時切斷物料。
4. 液位計筒體周圍不容許有磁體靠近,否則會影響液位計正常工作。
5. 液位計出廠時一般不保溫,但可根據用戶需求代為保溫。如用戶自行采用伴熱管道時,需選用非導磁材料。
6. 為防止運輸途中磁性浮子在主導管內高速滑動而被撞擊,液位計出廠前,用卡絲將磁性浮子固定在下引液管處,用戶在安裝前應先抽出卡絲方能安裝。
7. 1)UPVC、鋁面板液位計安裝完畢后,需用磁鋼進行校正,對磁翻板導引一下,使零位以上顯示白色。
2)磁敏電子雙色液位計如出現只亮一段,或者只顯示一種顏色,是因電壓過低造成,建議更換使用DC24V 2A電源。
8. 液位計投入運行時,應先打開引液管閥門,然后慢慢開啟下引液管閥門,讓液體介質平穩流入,避免液體介質帶著浮子急速上升,造成磁性翻柱翻轉失靈或翻亂(若遇此現象,可用磁鋼重新校正).
9. 如需更換浮子時,應注意重端磁性一端向上,不能倒裝!
10. 液位計筒體內不應有固定雜質進入,以免對浮子造成卡阻。根據介質情況,可定期清洗主導管,清除罐內沉積物雜質。
校準說明:
翻板指示器的校準 所有液位計在出廠之前均進行嚴格的校準,出廠時以下法蘭中心線為零點,以上法蘭中心線為滿度,兩法蘭中心距為儀表的使用范圍。用戶如發現進液后標尺和零位與實際有位差,可松開喉箍,移動翻板的位置,調節翻板(標尺)的位置正好對應實際的液位值。 如果發現指示器翻板排列雜亂無章,可在安裝前用隨貨磁鐵對準翻板自上而下移動,使翻柱排列整齊。 當翻柱排列整齊并且浮子以下為紅色而以上為白色時,說明校準完整,可進水或移動浮子觀察翻柱的變化。
《二》遠傳變送器輸出值的校準
1.按照傳感器接線圖接線,注意24伏的正負;

2、本安防爆
防爆結構適用于有爆炸危險的 環境場合。
a帶本安防爆,上、下限開關輸出型?
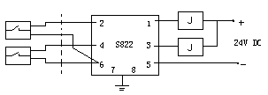
防爆開關由于干簧開關和帶繼電 器觸點的安全柵組成,可向用戶直接 提供一對常開或常閉觸點。如用戶需 更多觸點可特殊設計訂貨。接線見 圖六

圖六
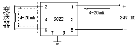
b帶本安防爆遠傳型
適合使用于II類電氣設備(工廠 用)、C級氣體,最高表面溫度組別T4 (135℃)。
接線見圖七。

c使用注意事項?
1)變送器外殼設有外接地,用戶使用時必須可靠接地。
2)安全柵的使用應遵守有關使用說明內容。
3)變送器與安全柵本安端的連接電纜為二芯屏蔽電纜,芯線截面積>0.5 mm2,電纜允許分布電容為0.8uF。
3.緩慢進水,使翻板正好翻到標尺的零位(或用戶事先設定好的位置),調節零位電位器,使電流輸出為4mA;
4.緩慢進水,使翻柱正好翻到標尺的滿度(或用戶事先設定好的位置),調節滿度電位器,使電流輸出正好為20mA; 4.重復以上步驟,直到輸出準確為止。一般出廠均為已調整過,用戶無需再調。如需調節,一般調節2至3遍即可。?
?《三》電子雙色型顯示器供電系統 電熱管接線盒 顯示器為雙電源獨立供電,請務必使用產品配套的電源適配器。

《四》 電加熱供電系統

電熱管接線盒 導熱油加注方法:從電加熱層側面接管孔加注導熱油至安全線,不得低于或超過安全線。
| UHZ磁翻板液位計選型 | ||||||||||||
| 側裝式 | 安裝方式 | |||||||||||
| 頂裝式 | ||||||||||||
| 頂裝側顯式 | ||||||||||||
| 304(標配UPVC顯示器,100℃以上配鋁合金顯示器) | 主體材質 | |||||||||||
| 316L(標配UPVC顯示器,100℃以上配鋁合金顯示器) | ||||||||||||
| 塑料防腐型 (3.UPVC 3a.ABS 3b.PPR 標配UPVC顯示器) | ||||||||||||
| 不銹鋼襯四氟(標配UPVC顯示器) | ||||||||||||
| 夾套型(a.蒸汽夾套 b.電加熱 c.電伴熱 d.防霜型 標配鋁合金顯示器) | ||||||||||||
| 0.6MPa | 公稱壓力 | |||||||||||
| 1.6MPa | ||||||||||||
| 2.5MPa | ||||||||||||
| 4.0MPa | ||||||||||||
| 6.3MPa | ||||||||||||
| 10.0MPa | ||||||||||||
| 基本型(無遠傳裝置) | 變送器 | |||||||||||
| UPVC內置遠傳 | ||||||||||||
| 常規鋁盒遠傳 | ||||||||||||
| 防爆鋁殼遠傳 | ||||||||||||
| 磁致伸縮遠傳 | ||||||||||||
| 無磁性開關 | 磁性開關 | |||||||||||
| 塑殼磁性開關 | ||||||||||||
| 不銹鋼磁性開關 | ||||||||||||
| 防爆磁性開關(不銹鋼防爆 .防爆接) | ||||||||||||
| 介質密度 | ||||||||||||
| 介質溫度 | ||||||||||||
| 安裝法蘭 | ||||||||||||
| 配對法蘭 | ||||||||||||
| 四氟排污閥 | ||||||||||||











