磁翻板液位計產品說明書
一、 概述
翻柱式磁浮子液位計是以浮子為測量元件,磁鋼驅動翻柱顯示,無需能源,適用于低溫到高溫,真空到高壓等各種環境,用于石油、化工等工業部門的液位測量。
磁浮子液位計配上、下限開關輸出,可實現遠距離報警、限位控制。
磁浮子液位計配置變送器,可實現液位的遠距離指示、檢測與控制。
根據在容器安裝位置不同,提供側裝和頂裝兩種型式。根據工作介質不同,提供不銹鋼、不銹鋼內襯四氟、ABS工程塑料及PP-R、PVC四種材質,其中ABS、PP-R、PVC、不銹鋼襯四氟材質適用于酸、堿等腐蝕性介質。
二、結構及工作原理
1、基本型
液位計根據浮力原理,浮子在測量管內隨液位的升降而上、下移動,浮子內的永久磁鋼通過磁耦合作用,驅動紅、白色翻柱翻轉180°,液位計上升時,翻柱由白色轉為紅色,下降時由紅色轉為白色,從而實現液位的指示。
2、上下限開關輸出
在液位計主體管上由用戶設定的上、下限位置處安裝控制器,控制器內有帶自保持作用的干簧開關或根據用戶要求配不帶記憶功能的報警開關,利用磁性浮子隨液位移動使簧片開關動作,實現報警或限位控制。
3、電遠傳
在浮子液位計上安裝變送器,變送器由測量單元和變送單元兩部分組成,它通過磁浮子上下移動,經磁耦合作用使導桿內測量元件依次動作,獲得電阻信號變化,轉換成0~10mA或4~20mA的標準電流信號輸出,與數字顯示儀表或計算機聯接,達到遠傳目的。
4、電子雙色型
UHZ-D型電子雙色磁浮子液位計是磁翻板液位計的換代新型產品,它可以紅綠光柱清晰顯示液位,白天觀察距離60M,夜間可達200~300M。磁翻板液位計長時間使用容易粘敷灰塵,尤其是煉鋼廠,時間一長就容易粘敷細鐵屑,把磁翻板的紅綠顏色覆蓋,使它看不到液位,另外磁翻板液位計的缺點就是不能發光顯示,夜間不能觀察。UHZ-D型電子雙色磁浮子液位計解決了上述問題,在電路設計上突破同類產品測量范圍小的缺點,在保證低功耗的同時,可定制任意測量高度。
本產品適用于石油、化工、冶金、食品、釀酒、醫藥、化學纖維、化肥及環保電力給水等部門,特別是煉鋼廠、焦化廠、發電廠等用戶,用以測量有壓容器或開口容器內液體的液位,液位計可現場直接指示液位,亦可附加液位報警開關,實現遠距離液位報警和限位控制。
與磁翻板液位計相比,其主要特點:
發光顯示:可以紅綠光柱清晰顯示液位,適宜在光線暗的場所中應用,夜間觀察更醒目;
液位顯示清晰,色澤鮮艷,觀察角度大,可視距離遠,長時間使用不容易粘敷灰塵;
設計合理、結構簡單、維修方便,被測介質與顯示系統完全分離;
適用介質廣,在鹽酸、硫酸等腐蝕性溶液中測量,具有良好的密封性。
主要技術參數
使用溫度:≤350℃
顯示顏色:紅白顯示
可視距離:60m, 夜間200~300m
電源電壓:AC220V (帶電源適配器)或DC24V
測量范圍:可根據現場要求訂做
其它指標:同UHZ系列翻柱式磁浮子液位計
5、蒸汽夾套型
測量筒外加蒸汽加熱層,用來維持測量筒內被測介質的溫度,防止被測介質因環境溫度變化發生凝固、結冰等現象。
6、電加熱型
測量筒外加電加熱層,內置電加熱裝置,加熱裝置通過導熱油均勻傳遞熱量至測量筒,起到加熱保溫的作用。
注:第一次使用前請加注導熱油至安全線處,否則會損壞加熱裝置。
三、主要技術指標
安 裝 形 式 內 容 | 側 裝 式 | 頂 裝 式 | ||
安 裝 間 距 (測量范圍) | 200mm至6000mm甚至更長,超過6m可分段做,加支撐架 | 200mm至6000m可按用戶要求長度訂做 | ||
工 作 壓 力 | 0.6,1.6,2.5,4.0Mpa, 10MPa至35MPa | 0.6 ,1.6 ,2.5Mpa, 4.0MPa | ||
介 質 密 度 | >0.5g/cm3 | 0.76g/cm3 | ||
連接法蘭 | 不銹鋼 | 法蘭20-40(DN20PN4.0) (GB9119—88) | 法蘭200-25(DN200PN2.5) (GB9119—88) | |
ABS | 法蘭20-10(DN20PN1.0) (GB9119—88) | 法蘭200-6(DN200PN0.6) (GB9119—88) | ||
主 體 材 料 | 1Cr18Ni9Ti、ABS、PP-R、PVC、不銹鋼內襯四氟 | |||
介 質 溫 度 | 不銹鋼-40~450℃、PPR-120℃、ABS-70℃、
| |||
環 境 溫 度 | -40~+450℃ | |||
示 值 誤 差 | ±10mm | |||
介 質 粘 度 | ≤1st(10-4m2/s) | |||
上、下 限
開 關 輸 出
| 1、控制靈敏度:10mm 2、輸出接點容量:AC220V 2A 3、接點壽命:5×104次 4、防爆特征:iaIICT4本質安全型 | |||
電 遠 傳、
連 續 顯 示 | 1、精度:±1.5% 2、輸出負載:750Ω 3、輸出信號:0-10mA輸出,220V AC電源 4-10mA輸出,24V DC二線制 4、防爆特征:iaIICT4本質安全型 | |||
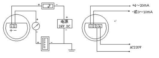
五、系統構成及接線
1、上下限開關輸出
由具有自保持作用的干簧開關和轉換器組成,干簧開關和轉換器分別安裝于現場和控制室,由轉換器提供三對觸點開關。
2、電遠傳
由測量單元和變送單元兩部分組成
|
圖四 圖五
3、本安防爆
防爆結構適用于有爆炸危險的
環境場合

a帶本安防爆,上、下限開關輸出型防爆開關由于干簧開關和帶繼電器觸點的安全柵組成,可向用戶直接提供一對常開或常閉觸點。如用戶需更多觸點可特殊設計訂貨。接線見

b帶本安防爆遠傳型適合使用于II類電氣設備(工廠用)、C級氣體,最高表面溫度組別T4(135℃)。接線見圖七。
c使用注意事項
1)變送器外殼設有外接地,用戶使用時必須可靠接地。
2)安全柵的使用應遵守有關使用說明內容。
3)變送器與安全柵本安端的連接電纜為二芯屏蔽電纜,芯線截面積>0.5 mm2,電纜允許分布電容為0.8uF。
4、 電子雙色型顯示器供電系統
|
電熱管接線盒
顯示器為雙電源獨立供電,請務必使用產品配套的電源適配器。
5、 電加熱供電系統

電熱管接線盒
導熱油加注方法:從電加熱層側面接管孔加注導熱油至安全線,不得低于或超過安全線。

